CANALES “U”

CANALES “U” DE ALAS NO ATIESADAS

Descripción

Perfiles que son conformados ya sea por plegado en una prensa mediante un Proceso de perfilado Continuo (Roll Forming). Asi obtenemos los perfiles U, C, Z.

Usos

Construcción de edificios industriales, comerciales , de servicios y en general donde se requiera la edificación de una estructura liviana de alta resistencia y rápida instalación.

Pedir Producto Ya! + Información PDF

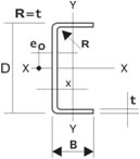
  • PROPIEDADES MECÁNICAS

    F

    R

    A
    Kg/mm2 Kg/mm2 %
    ASTM A-36 25.5 min 41 min

    18

    min
    ASTM A-570 Grado 36 25.3 min 37 min

    18

    min
    ASTM A-569 30 min

    25

    min

    canales

  • DIMENSIONES Y PESOS NOMINALES

    Designación

    D

    mm

    B

    mm

    t

    mm

    Peso

    kg/m

    AREA 
    (A)
    (cm²)

    EJE X – X

    I cm4 S cm3 r cm

    EJE Y – Y

    I cm4 S cm3 r cm

    x

    cm

    eo

    cm

     

     

      U 6" x 3"

     

     

     

     

      U 6" x 2"

     

     

     

     

      U 5" x 2"

     

     

     

     

      U 4" x 2"

     

     

      152.4

      152.4

      152.4

      152.4

      152.4

      152.4

      152.4

      152.4

      152.4

      152.4

      127.0

      127.0

      127.0

      127.0

      127.0

      101.6

      101.6

      101.6

      101.6

      101.6

      76.2

      76.2

      76.2

      76.2

      76.2

      50.8

      50.8

      50.8

      50.8

      50.8

      50.8

      50.8

      50.8

      50.8

      50.8

      50.8

      50.8

      50.8

      50.8

      50.8

      4.5

      3

      2.5

      2.3

      2

      4.5

      3

      2.5

      2.3

      2

      4.5

      3

      2.5

      2.3

      2

      4.5

      3

      2.5

      2.3

      2

      10.24

      6.95

      5.82

      5.37

      4.68

      8.45

      5.75

      4.82

      4.45

      3.88

      7.55

      5.15

      4.32

      3.99

      3.49

      6.66

      4.55

      3.83

      3.53

      3.9

      13.05

      8.85

      7.41

      6.84

      5.96

      10.76

      7.32

      6.14

      5.67

      4.95

      9.62

      6.56

      5.51

      5.08

      4.44

      8.48

      5.8

      4.87

      4.5

      3.93

      470.9

      327

      276.2

      255.4

      223.9

      345.9

      241.9

      204.8

      189.6

      166.4

      223

      156.9

      133.1

      123.3

      108.3

      131.1

      93.02

      79.12

      73.38

      64.59

      61.8

      42.91

      36.24

      33.52

      29.38

      45.39

      31.75

      26.88

      24.88

      21.84

      35.12

      24.71

      20.96

      19.42

      17.06

      25.81

      18.31

      15.57

      14.44

      12.71

      6.01

      6.08

      6.1

      6.11

      6.13

      5.67

      5.75

      5.77

      5.78

      5.8

      4.81

      4.89

      4.91

      4.92

      4.94

      3.93

      4

      4.03

      4.04

      4.05

      74.98

      51.71

      43.58

      40.28

      35.26

      23.96

      16.73

      14.16

      13.11

      11.5

      22.7

      15.88

      13.45

      12.45

      10.93

      21.1

      14.81

      12.55

      11.63

      10.21

      13.61

      9.27

      7.78

      7.18

      6.27

      6.19

      4.25

      3.58

      3.31

      2.89

      6.05

      4.16

      3.5

      3.23

      2.83

      5.86

      4.03

      3.4

      3.14

      2.75

      2.4

      2.42

      2.42

      2.43

      2.43

      1.49

      1.51

      1.52

      1.52

      1.52

      1.54

      1.56

      1.56

      1.57

      1.57

      1.58

      1.6

      1.6

      1.61

      1.61

      2.11

      2.04

      2.02

      2.01

      2

      1.21

      1.15

      1.12

      1.12

      1.1

      1.33

      1.26

      1.24

      1.23

      1.22

      1.48

      1.41

      1.38

      1.38

      1.36

      2.51

      2.65

      2.69

      2.7

      2.72

      1.39

      1.49

      1.52

      1.54

      1.56

      1.48

      1.59

      1.62

      1.63

      1.66

      1.6

      1.7

      1.73

      1.75

      1.77

  • DIMENSIONES Y PROPIEDADES PARA DISEÑO

    Designación

    D

    mm

    B

    mm

    t

    mm

    Peso

    kg/m

    AREA 
    (A)
    (cm²)

    EJE X – X

    I cm4 S cm3 r cm

    EJE Y – Y

    I cm4 S cm3 r cm

    x

    cm

    eo

    cm

      U 3" x 1 1/2"

     

     

     

     

      U 2" x 1"

     

     

     

     

      U 9" x 3"

     

     

     

     

      U 9" x 2"

     

     

     

     

      U 8" x 3"

     

     

     

     

      U 8" x 2"

     

     

     

      U 7" x 3"

     

     

     

     

      U 7" x 2"

     

     

     

     

      76.2

      76.2

      76.2

      76.2

      76.2

      50.8

      50.8

      50.8

      50.8

      228.6

      228.6

      228.6

      228.6

      228.6

      228.6

      228.6

      228.6

      228.6

      228.6

      203.2

      203.2

      203.2

      203.2

      203.2

      203.2

      203.2

      203.2

      203.2

      203.2

      177.8

      177.8

      177.8

      177.8

      177.8

      177.8

      177.8

      177.8

      177.8

      177.8

      38.1

      38.1

      38.1

      38.1

      38.1

      25.4

      25.4

      25.4

      25.4

      76.2

      76.2

      76.2

      76.2

      76.2

      50.8

      50.8

      50.8

      50.8

      50.8

      76.2

      76.2

      76.2

      76.2

      76.2

      50.8

      50.8

      50.8

      50.8

      50.8

      76.2

      76.2

      76.2

      76.2

      76.2

      50.8

      50.8

      50.8

      50.8

      50.8

      4.5

      3

      2.5

      2.3

      2

      3

      2.5

      2.3

      2

      4.5

      3

      2.5

      2.3

      2

      4.5

      3

      2.5

      2.3

      2

      4.5

      3

      2.5

      2.3

      2

      4.5

      3

      2.5

      2.3

      2

      4.5

      3

      2.5

      2.3

      2

      4.5

      3

      2.5

      2.3

      2

      4.86

      3.36

      2.83

      2.62

      2.29

      2.16

      1.83

      1.7

      1.49

      1.294

      8.74

      7.32

      6.74

      5.88

      11.14

      7.54

      6.32

      5.83

      5.08

      12.04

      8.14

      6.82

      6.28

      5.48

      10.24

      6.95

      5.82

      5.37

      4.68

      11.14

      7.54

      6.32

      5.83

      5.8

      9.35

      6.35

      5.32

      4.91

      4.28

      6.19

      4.28

      3.6

      3.33

      2.92

      2.75

      2.33

      2.16

      1.9

      16.48

      11.13

      9.32

      8.59

      7.49

      14.19

      9.61

      8.05

      7.42

      6.47

      15.34

      10.37

      8.68

      8

      6.98

      13.05

      8.85

      7.41

      6.84

      5.96

      14.19

      9.61

      8.05

      7.42

      6.47

      11.91

      8.09

      6.78

      6.25

      5.46

      51.89

      37.66

      32.26

      30.01

      26.52

      10.25

      8.92

      8.34

      7.44

      122.5

      842.5

      709.4

      655.4

      573.4

      937.7

      648.6

      547.1

      505.8443

      443

      925.2

      638

      537.7

      496.9

      434.9

      699.5

      485.3

      409.8

      379

      332.1

      675.2

      467

      393.9

      364.2

      319

      503.5

      350

      296.4

      274.2

      240.5

      13.62

      9.88

      8.47

      7.88

      9.96

      4.4

      3.51

      3.28

      2.93

      107.1

      73.71

      62.07

      57.34

      50.17

      82.04

      56.75

      47.87

      44.25

      38.76

      91.06

      62.8

      52.92

      48.9

      42.81

      68.85

      47.77

      40.33

      37.3

      32.69

      75.95

      52.23

      44.31

      4.96

      35.88

      56.64

      39.44

      33.34

      30.84

      27.05

      2.89

      2.97

      2.99

      3

      3.02

      1.93

      1.95

      1.96

      1.98

      8.62

      8.7

      8.72

      8.74

      8.75

      8.13

      8.22

      8.24

      8.26

      8.27

      7.77

      7.84

      7.87

      7.88

      7.89

      7.32

      7.41

      7.43

      7.45

      7.46

      6.9

      6.97

      7

      7.01

      7.02

      6.5

      6.58

      6.61

      6.62

      6.64

      8.45

      6.04

      5.15

      4.78

      4.21

      1.67

      1.44

      1.34

      1.19

      84.7

      58.24

      49.03

      45.29

      39.63

      26.55

      18.48

      15.62

      14.46

      12.68

      81.94

      56.38

      47.48

      43.87

      38.39

      25.84

      17.99

      15.22

      14.08

      12.35

      78.74

      54.23

      45.68

      42.21

      36.95

      24.99

      17.42

      14.74

      13.64

      11.97

      3.19

      2.22

      1.88

      1.74

      1.52

      0.95

      0.8

      0.75

      0.66

      14.35

      9.76

      8.19

      7.55

      6.59

      6.47

      4.43

      3.73

      3.44

      3.01

      14.15

      9.63

      8.08

      7.45

      6.51

      6.39

      4.38

      3.69

      3.41

      2.98

      13.91

      9.47

      7.95

      7.33

      6.4

      6.31

      4.33

      3.64

      3.36

      2.94

      1.17

      1.19

      1.2

      1.2

      1.2

      0.78

      0.79

      0.79

      0.79

      2.27

      2.29

      2.29

      2.3

      2.3

      1.37

      1.39

      1.39

      1.4

      1.4

      2.31

      2.33

      2.34

      2.34

      2.34

      1.41

      1.43

      1.43

      1.44

      1.44

      2.36

      2.38

      2.38

      2.39

      2.39

      1.45

      1.47

      1.47

      1.48

      1.48

      1.16

      1.09

      1.07

      1.06

      1.04

      0.77

      0.75

      0.74

      0.73}

      1.72

      1.65

      1.63

      1.62

      1.61

      0.97

      0.91

      0.89

      0.88

      0.87

      1.83

      1.76

      1.74

      1.73

      1.72

      1.04

      0.97

      0.95

      0.94

      0.93

      1.96

      1.89

      1.87

      1.86

      1.85

      1.12

      1.05

      1.03

      1.02

      1.01

      1.12

      1.22

      1.26

      1.27

      1.29

      0.75

      0.78

      0.79

      0.82

      2.23

      2.33

      2.37

      2.38

      2.4

      1.15

      1.25

      1.28

      1.3

      1.32

      2.33

      2.43

      2.47

      2.48

      2.5

      1.22

      1.32

      1.35

      1.37

      1.39

      2.43

      2.54

      2.57

      2.59

      2.61

      1.3

      1.4

      1.43

      1.45

      1.47

  • DIMENSIONES Y PROPIEDADES PARA DISEÑO

    Designación

    D

    mm

    B

    mm

    t

    mm

    Peso

    kg/m

    AREA 
    (A)
    (cm²)

    EJE X – X

    I cm4 S cm3 r cm

    EJE Y – Y

    I cm4 S cm3 r cm

    x

    cm

    eo

    cm

      U 12" x 3"

     

     

     

     

      U 12" x 2"

     

     

     

     

      U 11" x 3"

     

     

     

     

      U 11" x 2"

     

     

     

     

      U 10" x 3"

     

     

     

     

      U 10" x 2"

     

     

     

      304.8

      304.8

      304.8

      304.8

      304.8

      304.8

      304.8

      304.8

      304.8

      304.8

      279.4

      279.4

      279.4

      279.4

      279.4

      279.4

      279.4

      279.4

      279.4

      279.4

      254

      254

      254

      254

      254

      254

      254

      254

      254

      254

      76.2

      76.2

      76.2

      76.2

      76.2

      50.8

      50.8

      50.8

      50.8

      50.8

      76.2

      76.2

      76.2

      76.2

      76.2

      50.8

      50.8

      50.8

      50.8

      50.8

      76.2

      76.2

      76.2

      76.2

      76.2

      50.8

      50.8

      50.8

      50.8

      50.8

      4.5

      3

      2.5

      2.3

      2

      4.5

      3

      2.5

      2.3

      2

      4.5

      3

      2.5

      2.3

      2

      4.5

      3

      2.5

      2.3

      2

      4.5

      3

      2.5

      2.3

      2

      4.5

      3

      2.5

      2.3

      2

      15.63

      10.53

      8.81

      8.12

      7.07

      13.83

      9.34

      7.81

      7.2

      6.28

      14.73

      9.94

      8.31

      7.66

      6.68

      12.94

      8.74

      7.32

      6.74

      5.88

      13.83

      9.34

      7.81

      7.2

      6.28

      12.04

      8.14

      6.82

      6.28

      5.48

      19.91

      13.42

      11.22

      10.34

      9.01

      17.62

      11.9

      9.95

      9.17

      8

      18.77

      12.66

      10.59

      9.76

      8.5

      16.48

      11.13

      9.32

      8.59

      7.49

      17.62

      11.9

      9.95

      9.17

      8

      15.34

      10.37

      8.68

      8

      6.98

     2457

      1681

      1413

      1305

      1140

      1942

      1334

      1123

      1037

      907.5

      1987

      1362

      1145

      1057

      924.5

      1555

      1071

      901.7

      833.1

      729

      1577

      1083

      911.2

      841.6

      736.1

      1222

      842.9

      710.4

      656.5

      574.8

      161.2

      110.3

      92.73

      85.61

      74.83

      127.4

      87.55

      73.69

      68.07

      59.55

      142.2

      97.47

      81.97

      75.69

      66.18

      111.3

      76.64

      64.55

      59.64

      52.19

      124.2

      85.27

      71.75

      66.27

      57.96

      96.19

      66.37

      55.94

      51.7

      45.26

      11.11

      11.19

      11.22

      11.23

      11.25

      10.5

      10.59

      10.62

      10.63

      10.65

      10.29

      10.37

      10.4

      10.41

      10.43

      9.71

      9.81

      9.84

      9.85

      9.87

      9.46

      9.54

      9.57

      9.58

      9.59

      8.92

      9.01

      9.04

      9.06

      9.07

      91.1

      62.54

      52.63

      48.61

      42.52

      28.16

      19.59

      16.53

      15.29

      13.41

      89.22

      61.28

      51.58

      47.64

      41.68

      27.69

      19.25

      16.27

      15.05

      13.2

      87.11

      59.85

      50.39

      46.54

      40.72

      27.17

      18.89

      15.97

      14.77

      12.96

      14.79

      10.05

      8.43

      7.78

      6.79

      6.62

      4.53

      3.81

      3.52

      3.08

      14.67

      9.97

      8.36

      7.71

      6.73

      6.58

      4.5

      3.79

      3.5

      3.06

      14.52

      9.87

      8.28

      7.64

      6.67

      6.53

      4.47

      3.76

      3.47

      3.04

      2.14

      2.16

      2.17

      2.17

      2.17

      1.26

      1.28

      1.29

      1.29

      1.29

      2.18

      2.2

      2.21

      2.21

      2.21

      1.3

      1.31

      1.32

      1.32

      1.33

      2.22

      2.24

      2.25

      2.25

      2.26

      1.33

      1.35

      1.36

      1.36

      1.36

      1.46

      1.4

      1.38

      1.37

      1.36

      0.83

      0.76

      0.74

      0.73

      0.72

      1.54

      1.47

      1.45

      1.44

      1.43

      0.87

      0.81

      0.78

      0.78

      0.76

      1.62

      1.56

      1.54

      1.53

      1.51

      0.92

      0.85

      0.83

      0.82

      0.81

      1.98

      2.08

      2.12

      2.13

      2.15

      0.97

      1.07

      1.1

      1.12

      1.14

      2.06

      2.16

      2.19

      2.21

      2.23

      1.02

      1.12

      1.16

      1.17

      1.19

      2.14

      2.24

      2.24

      2.29

      2.31

      1.08

      1.18

      1.22

      1.23

      1.25

    Longitud Comercial: 6 mts.
    • Otros largos Consultar Con su Representante de Venta.